Robotické systémy

a elektrické pohony pro automatizaci

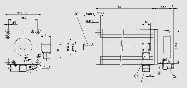
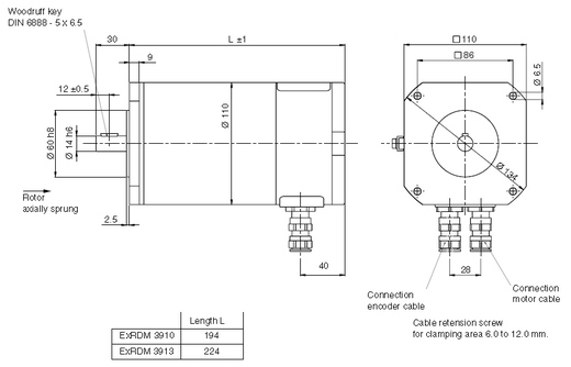
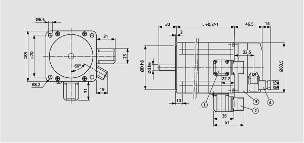
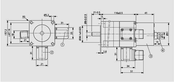
Krokové motory